液动法兰球阀
来源:上海沃电阀门科技有限公司 作者:电动蝶阀球阀执行器厂家 点击量:5274
品牌:上海沃电
驱动能源: 液动执行器
型号: FDQ系列
标准: 国标
压力环境: 常压
加工定制: 是
产品用途: 石油、化工、电力、能源、船舶、冶金、建材、造纸、锅炉设备
驱动能源: 液动执行器
型号: FDQ系列
标准: 国标
压力环境: 常压
加工定制: 是
产品用途: 石油、化工、电力、能源、船舶、冶金、建材、造纸、锅炉设备
联系客服 13917586261

【产品概述】
液动法兰球阀是一种转角90°旋转类球阀,密封性能优良,流通能力大,流阻系数小,结构简单,维修方便,使用寿命长,阀体通道和连接管径相等并成一直径,介质几乎可以毫无损失的流过,配用FDQ液动执行器,外形尺寸小,输出扭矩大,产品通常用于密封要求严格的场合,除控制气体、液体、蒸汽介质外,还适宜控制水含有纤维杂质的介质,广泛应用于石油、化工、冶金、轻工、造纸、电站、制冷等工作领域。
【产品参数】
液动法兰球阀执行器配置表
【性能特点】
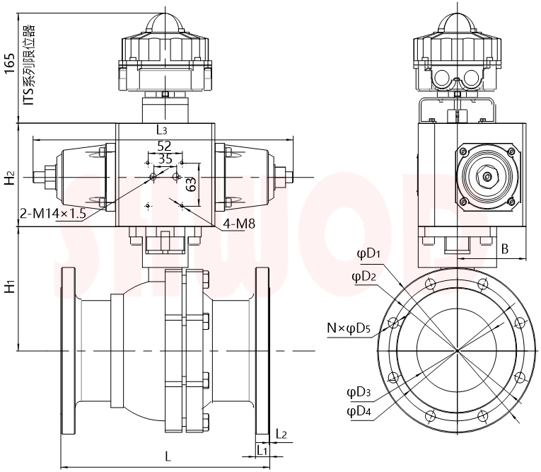
【外形尺寸】

PN16规格外形尺寸图
【友情提示】上海沃电自动化仪表有限公司专业生产销售各类电动蝶阀、电动球阀、电动闸阀等电动阀门、电动执行器、电液动执行器、电液动阀门、气动阀门,上海沃电秉承“诚信为本,客户至上”的企业宗旨,专业为您提供规格型号齐全、质量稳定、价格合理的液动法兰球阀产品,欢迎前来咨询报价。
液动法兰球阀执行器配置表
| 规格 | 执行器参考配置 | |||||
| mm | in | PN16 | PN25 | PN40 | PN63 | PN100 |
| DN15 | 1/2” | FDQ-40 | FDQ-40 | FDQ-40 | FDQ-40 | FDQ-40 |
| DN20 | 3/4” | |||||
| DN25 | 1” | |||||
| DN32 | 1 1/4” | |||||
| DN40 | 1 1/2” | |||||
| DN50 | 2” | |||||
| DN65 | 2 1/2” | FDQ-50 | ||||
| DN80 | 3” | |||||
| DN100 | 4” | FDQ-50 | FDQ-63 | |||
| DN125 | 5” | FDQ-50 | FDQ-50 | FDQ-63 | ||
| DN150 | 6” | FDQ-50 | FDQ-80 | |||
| DN200 | 8” | FDQ-63 | FDQ-63 | FDQ-80 | ||
【性能特点】
1、流体阻力小,球阀是所有阀类中流体阻力小的一种,即使是缩径球阀,其流体阻力也相当小。
2、止推轴轴承减少阀杆摩擦力矩,可使阀杆长期操作平衡灵活。
3、阀座密封性能好,采用聚四氟乙烯等材料制成的密封圈,结构易于密封,而且球阀的密封能力随着介质压力的增大而增大。
4、阀杆密封可靠,由于阀杆只作旋转运动而不做升降运动,阀杆的填料密封不易破坏,且密封能力随介质的压力增设而增大。
5、由于聚四氟乙烯等材料具有良好的自润滑性,与球体的摩擦损失小,球阀的使用寿命更长。
2、止推轴轴承减少阀杆摩擦力矩,可使阀杆长期操作平衡灵活。
3、阀座密封性能好,采用聚四氟乙烯等材料制成的密封圈,结构易于密封,而且球阀的密封能力随着介质压力的增大而增大。
4、阀杆密封可靠,由于阀杆只作旋转运动而不做升降运动,阀杆的填料密封不易破坏,且密封能力随介质的压力增设而增大。
5、由于聚四氟乙烯等材料具有良好的自润滑性,与球体的摩擦损失小,球阀的使用寿命更长。
【外形尺寸】

PN16规格外形尺寸图
| mm | in | φD1 | φD2 | φD3 | φD4 | N | φD5 | L | L1 | L2 | L3 | H1 | H2 | B |
| DN15 | 1/2” | 95 | 65 | 15 | 46 | 4 | 14 | 130 | 14 | 2 | 290 | 48 | 110 | 115 |
| DN20 | 3/4” | 105 | 75 | 20 | 56 | 130 | 16 | 53 | ||||||
| DN25 | 1” | 115 | 85 | 25 | 65 | 140 | 63.5 | |||||||
| DN32 | 1 1/4” | 140 | 100 | 32 | 76 | 165 | 18 | 72 | ||||||
| DN40 | 1 1/2” | 150 | 110 | 40 | 84 | 165 | 77 | |||||||
| DN50 | 2” | 165 | 125 | 50 | 99 | 203 | 20 | 85 | ||||||
| DN65 | 2 1/2” | 185 | 145 | 65 | 118 | 222 | 106 | |||||||
| DN80 | 3” | 200 | 160 | 80 | 132 | 8 | 18 | 241 | 121 | |||||
| DN100 | 4” | 220 | 180 | 100 | 156 | 280 | 22 | 143 | ||||||
| DN125 | 5” | 250 | 210 | 125 | 184 | 325 | 183 | |||||||
| DN150 | 6” | 285 | 240 | 150 | 211 | 22 | 350 | 24 | 350 | 201 | 115 | 145 | ||
| DN200 | 8” | 340 | 295 | 200 | 266 | 12 | 22 | 400 | 252 |
【友情提示】上海沃电自动化仪表有限公司专业生产销售各类电动蝶阀、电动球阀、电动闸阀等电动阀门、电动执行器、电液动执行器、电液动阀门、气动阀门,上海沃电秉承“诚信为本,客户至上”的企业宗旨,专业为您提供规格型号齐全、质量稳定、价格合理的液动法兰球阀产品,欢迎前来咨询报价。
【生产环境】
【性能特点】
1、采用齿轮齿条结构,可选单作用和双作用,具有启闭扭矩大、结构简单可靠、体积小巧、运动平稳、输出扭矩呈线性等特点;
2、耐腐蚀,阀门采用304或316不锈钢;
3、硬度高,能良好承受外界压力。











